Transform Your Chemical Processes

Advanced Process Design offers expert support to clients seeking to optimize the design, operation, and maintenance of their industrial processes by ensuring that these processes operate efficiently, safely, and sustainably, aligning with both regulatory requirements and business objectives. We specialize in process engineering, focusing on feasibility studies, PFDs, P&IDs, and more process optimisation to enhance your processes.

Leading the Way in Process Engineering

We provide expert services in:
- Feasibility Studies
- Process Flow Diagrams (PFDs)
- Piping & Instrumentation Diagrams (P&IDs)
- Equipment Sizing & Specification
- Efficiency Improvements
- Energy Integration and Recovery

Our Core Services

Explore the exceptional solutions we offer that set us apart in the field of chemical engineering:

Feasibility Studies

In-depth assessments to determine the technical and economic viability of new processes.

Process Flow Diagrams

High-level drafts illustrating the major steps and flows in processes for clarity.

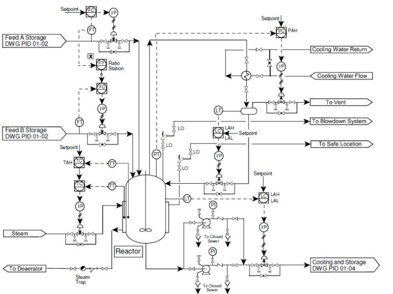
P&IDs

Comprehensive diagrams detailing equipment, piping, and control systems for accurate understanding.

Energy Efficiency

Strategies aimed at reducing energy consumption and enhancing operational efficiency.

50+

Projects Completed

20+ 

Years of Experience

Contact us

I hereby agree that this data will be stored and processed for the purpose of establishing contact. I am aware that I can revoke my consent at any time.*

* Please fill in all the required fields.
Message was successfully sent

Telephone:

E-mail: info@advancedprocessdesign.co.uk

Address:

©Copyright. All rights reserved.

We need your consent to load the translations

We use a third-party service to translate the website content that may collect data about your activity. Please review the details in the privacy policy and accept the service to view the translations.